»Eingemachtes Licht«

Showroom der System 180 GmbH, Berlin-Adlershof

1999 entwickelten wir eine Leuchte in einem Einmachglas, das eine Fassung GU 5,3 für Niedervolt-Reflektorlampen und einen elektronischen Transformator aufnahm und mit einem 3-Phasen-Stromschienenadapter ausgestattet wurde.

Veröffentlicht am
Kategorisiert als Design, Licht

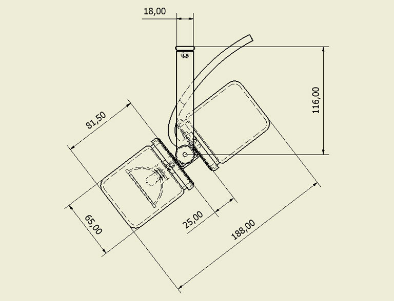
System 180® – Leuchte 1

Plankonvexleuchte

Gemeinsam mit der Firma Müller und Röhrig GmbH aus Essen-Kupferdreh und dem Auftraggeber System 180 GmbH, führten wir eine Lichtidee aus den 1990er Jahren zu heutigen technischen Ansprüchen in minimierter Designsprache. Siehe auch Fokussierbarer Scheinwerfer 1993Reformationsgeschichtliches Museum Berlin-Spandau.

Fokussierbarer Linsenscheinwerfer

Museum für Kunst und Kulturgeschichte, Dortmund

1993 entwickelten wir für die Sonderausstellungshalle des Dortmunder Museums für Kunst und Kulturgeschichte einen Kleinscheinwerfer für die dort installierten Lichtinseln. Das Licht einer Niedervolt-Stiftsockellampe wird durch einen Kugelspiegel verstärkt und lässt sich durch eine in Lichtachse verschiebliche Plankonvexlinse fokussieren. Die technisch gleichen Scheinwerfer mit Glas- anstelle von Blechröhre wurden für das Reformationsgeschichtliche Museum in Berlin-Spandau hergestellt.

Veröffentlicht am
Kategorisiert als Design, Licht

Rock ’n’ Roll Cathedral

Egbert Baqué Contemporary Art im Rahmen des Gallery Weekend Berlin

Seit langen Jahren in längeren Abständen unterstützten wir den Galeristen Egbert Baqué, der für die dreitägige Veranstaltung, die am 1. Mai 2015 begann, eine Rock ’n’ Roll Cathedral inszenierte.

Veröffentlicht am
Kategorisiert als Licht

Modernisierung der Beleuchtung

Wilhelm Busch Museum, Hannover

Der 1999/2000 umgebaute Westflügel des Wallmodenpalais besteht aus zwei übereinanderliegenden längsrechteckigen Ausstellungsräumen von jeweils knapp 200 m². Die zum Eröffnungszeitpunkt realisierte Lichtanlage war für Ausstellungszwecke nur bedingt geeignet. Zwei Reihen von Leuchtstofflampen parallel zu den Längswänden, direkt unter der Decke montiert, erzeugten ein diffuses Licht, das im gedimmten Zustand zudem von problematischer Lichtfarbe war. Exponate gezielt einzeln zu beleuchten, war durch eine begrenzte Anzahl von Strahlern, eher im Rauminneren und nicht vor den Wänden, in festen Punktauslässen möglich.

Veröffentlicht am
Kategorisiert als Design, Licht

1914 – Mitten in Europa – Beleuchtungsplanung der Bunkerebene

Mischanlage Kokerei Zollverein, Essen

Für die Ausstellungsbereiche in der Bunkerebene mit einer lichten Raumhöhe von 9 Metern basierte unser Konzept auf tiefstrahlenden Leuchten mit einem sehr engen Abstrahlwinkel ohne Nebenlicht. Ausschließlich die Ausstellungsstücke sollten so hell, wie konservatorisch verantwortbar, ausgeleuchtet sein. Es ging um die 25 m x 35 m große fensterlose Ebene, die in zwölf gleich große Bunker aufgeteilt ist. Auf dieser Fläche von etwa 600 Quadratmetern, wurden 200 Strahler zum gezielten Ausleuchten einzelner Raumszenerien in die  vorhandenen Stromschienen eingesetzt.

Veröffentlicht am
Kategorisiert als Design, Licht

13 Tafeln von Willi Baumeister – Beleuchtungsinszenierung

Bergische Universität Wuppertal

Der international renommierte Maler Willi Baumeister (1889 bis 1955) verlor seine Professur in Frankfurt nach der Machtübergabe an die Nationalsozialisten 1933. Ende der 1930er Jahre wirkte er in Wuppertal, wo der Lackfabrikant Dr. Kurt Herberts ihm und anderen Künstlern Aufträge zur Erforschung über antike und aktuelle Maltechniken übertrug.

Veröffentlicht am
Kategorisiert als Licht

Beleuchtung ›Das Erbe – Die Ausstellung zum Bergbau im Saarland‹

Landesausstellung im Bergwerk Reden

Die komplette Ausstellung ›Das Erbe – die Ausstellung zum Bergbau im Saarland‹ wurde mit LED-Technologie beleuchtet, was neben den Kosten- und Umweltschutzaspekten den Vorteil hatte, dass es nur zu geringer Wärmeentwicklung kam. 

Veröffentlicht am
Kategorisiert als Licht

Beleuchtung Stiftsbibliothek Naumburg

Domklausur Erdgeschoss

Für die Landesausstellung Der Naumburger Meister – Bildhauer und Architekt im Europa der Kathedralen 2011 erarbeiteten wir die Beleuchtungsplanung für die Domklausur, die zuerst die Landesausstellung sachgerecht ins rechte Licht setzen sollte.

Der Naumburger Meister – Beleuchtungsplanung Marienkirche

Dombezirk, Naumburg

Im Zuge der Landesausstellung 2011 Der Naumburger Meister – Bildhauer und Architekt im Europa der Kathedralen wurde die Notwendigkeit einer multifunktionalen Beleuchtung für die Marienkirche – einem Bauwerk mit spätgotischem Chor und Halle des 19. Jahrhunderts – offensichtlich.

Veröffentlicht am
Kategorisiert als Licht