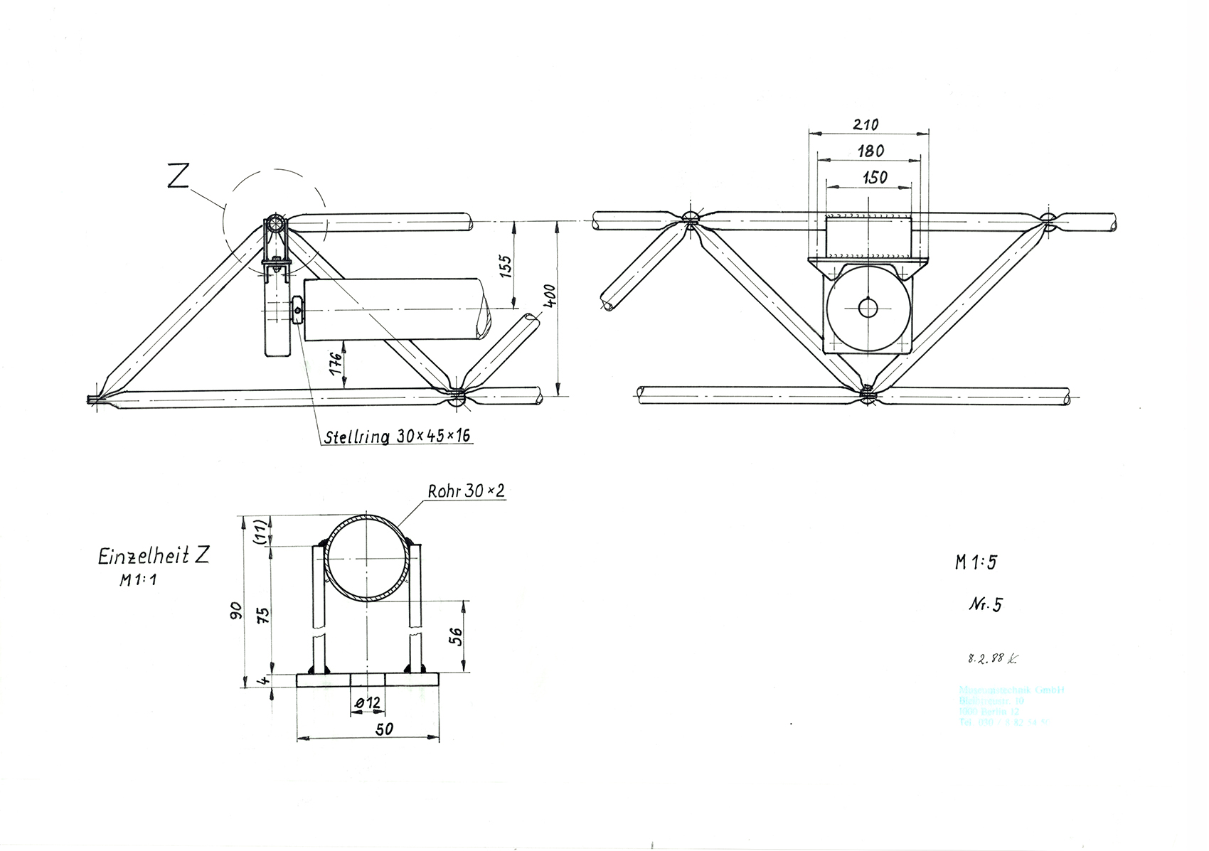
Mobile Decke aus System Steiner
Wir entwickelten zusammen mit Paul Walter Schmits-Reinecke, dem damaligen technischen Leiter der Selux AG, einem seit 1948 bestehenden Unternehmen für die Herstellung von Beleuchtungsanlagen in Berlin-Marienfelde, eine elektrisch hochfahrbare Decke aus System Steiner. Die Decke sollte aus einem modularen System sein, um die unterschiedlichsten flächigen Materialien sowie Stromschienen und Einzelleuchten daran befestigen zu können. Für Kunden konnten somit Lichtsituationen in einer Raumeinheit mit anpassbaren Höhen demonstriert werden. Die Winde befand sich innerhalb des mobilen Fachwerks, sodass lediglich vier Befestigungspunkte in der Decke des Hauses notwendig waren,




















